Задать вопрос
0
Войти
/
Регистрация

Винт-кольцо 9078

Стандарт
арт. 9078
Материал
А4
Размер
Длина (l) х Диаметр (d)
Данный метиз чаще всего находит применение на стройплощадках (в строительных лесах, подвесных каркасах) и во время строительных и ремонтных работ для образования резьбового соединения.
Применяются и в быту для крепления подвесных конструкций.
Диаметр резьбы может быть 5, 6, 8 и 10 миллиметров.
Также изделия отличаются по длине.
В основном используется в комплекте с распорным дюбелем или стальным анкером.
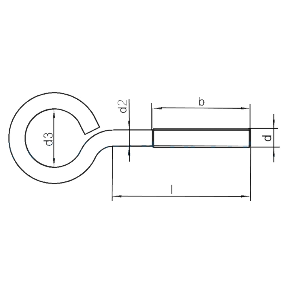
Представляет собой цилиндрический стержень с резьбой (метрическая резьба имеет определенный шаг), заканчивающийся головкой, закрученной в кольцо.

ТАБЛИЦА РАЗМЕРОВ

d L b d2 d3
5 50 47 4,4 8
6 60 57 5,25 10
8 60 57 7,05 12
80 77
Диаметр (d) Длина (l) Материал В упаковке Цена
5 50 А2 1 50 руб. Купить
6 60 А2 1 82 руб. Купить
8 60 А2 1 160 руб. Купить
8 80 А2 1 130 руб. Купить