Задать вопрос
0
Войти
/
Регистрация

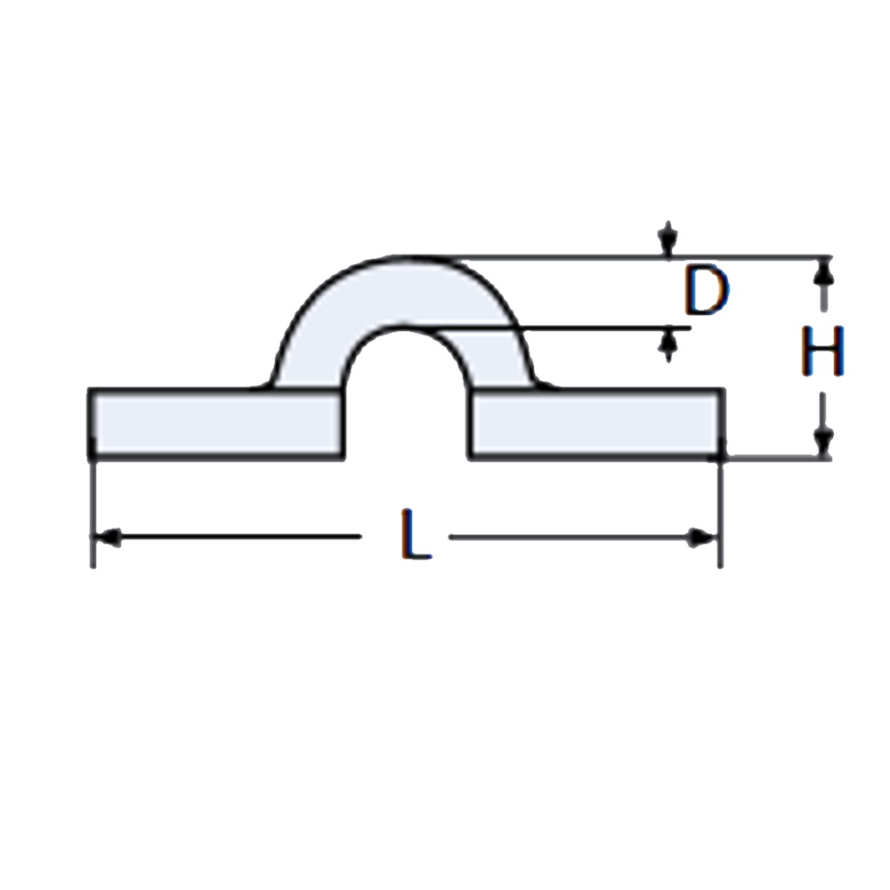
Скоба стационарная с усиленным основанием 8227

Стандарт
арт. 8227
Материал
А4
Размер
Длина (l) х Диаметр (d)
Оковка арт. 8227 используется для прикрепления строп.
Такелаж и оснастка для судов различного назначения – тросы, цепи, стропы, болты, винты, саморезы, скобы, карабины, крюки и многое другое. Нержавеющая сталь марок А2 и А4 достаточно прочная, не подвержена коррозии и воздействию агрессивных сред. На судостроительных верфях такелаж из нержавейки является незаменимым атрибутом в производстве лодок, катеров и яхт как на этапе строительства, так и в течение всего времени эксплуатации.

ТАБЛИЦА РАЗМЕРОВ

D L H
5 48 15
Диаметр (d) Длина (l) Материал В упаковке Цена
5 А4 1 180 руб. Купить