Задать вопрос
0
Войти
/
Регистрация

Прямая

Стандарт
Материал
Оцинковка
Размер
Длина(l) x Диаметр(d)

Грузовой крепеж предназначен для фиксации и перемещения грузов с помощью цепей и тросов в различных грузоподъемных механизмах и устройствах. Обладает повышенной прочностью и стойкостью к износу, выдерживает значительные нагрузки без деформации. Такелажная скоба служит вспомогательным элементом при подъеме и перемещении грузов. Литой корпус имеет прямую форму и выдерживает значительные нагрузки.

Быстрая разборка/сборка соединения за счет удобной конструкции скобы;

Повышенная прочность благодаря литому корпусу;

Цинковое покрытие надежно защищает от коррозии.

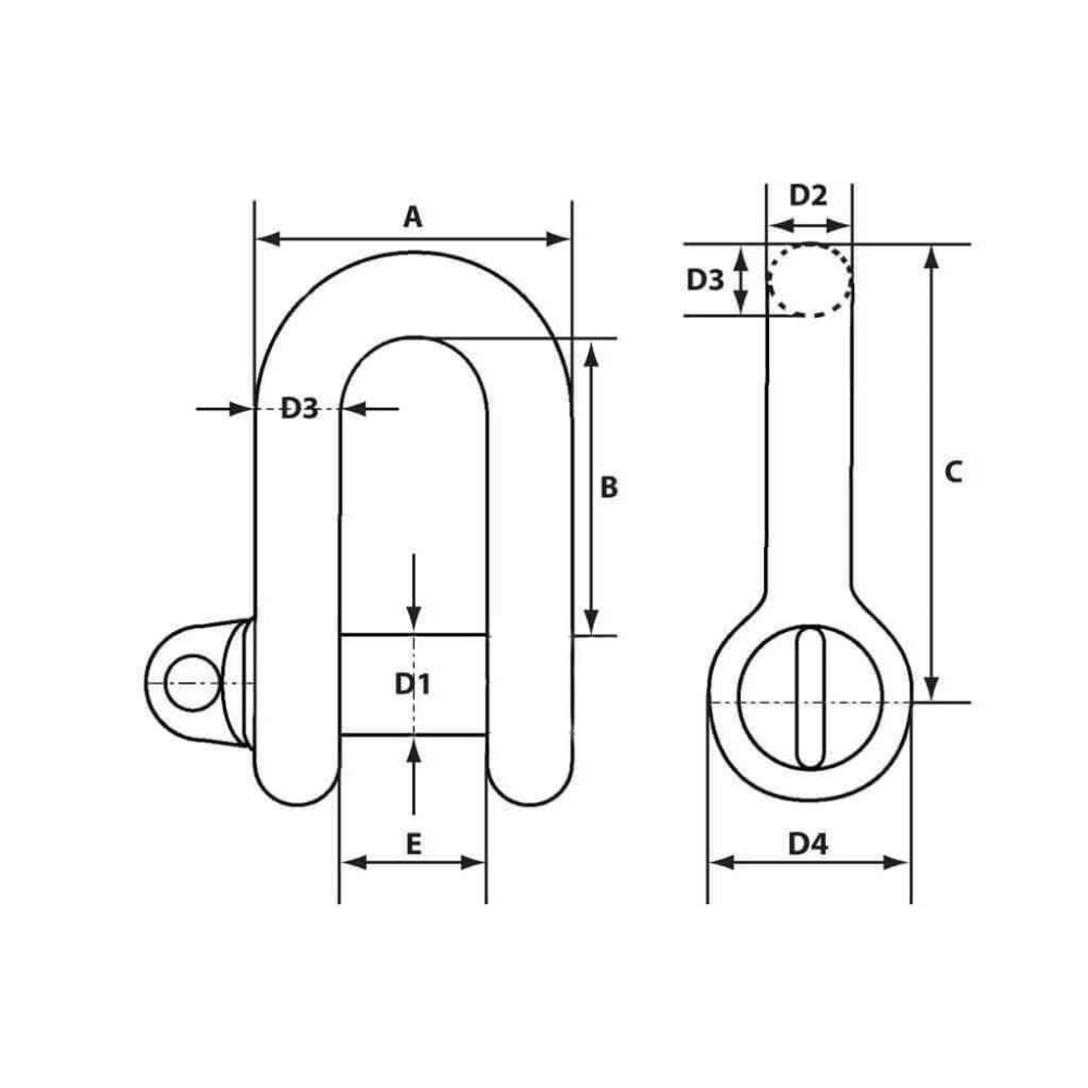
ТАБЛИЦА РАЗМЕРОВ:

D1 D2 D3 A B C E Грузоподъём, кг Разрыв, т
5 4 5 15 15,5 23 7 100 0,4
6 5 6 18 18 27 8 160 0,5
8 7 8 25 24 36 11 250 1
10 8 10 30 30 45 14 400 1,5
12 10 12 37 36 54 17 600 2,5
14 12 14 40 42 64 18 800  
16 13 15 47 49 72 21 1000  
Диаметр (d) Длина (l) Материал В упаковке Цена
14 Оцинковка 1 139 руб. Купить
5 Оцинковка 1 16 руб. Купить
6 Оцинковка 1 18 руб. Купить
8 Оцинковка 1 24 руб. Купить
10 Оцинковка 1 30 руб. Купить
12 Оцинковка 1 52 руб. Купить