Задать вопрос
0
Войти
/
Регистрация

Гровер Din127

Стандарт
Din 127
Материал
А2
Размер
Длина (l) х Диаметр (d)
Пружинные шайбы - гравер, с притупленными концами Din 127 Тип А - широкое применение метизов данного типа обусловлено высокой эффективностью их использования.
Данный крепеж значительно увеличивает надежность прилегания соединительных элементов к поверхности скрепляемых деталей.
Рекомендуется совместное использование с метизами следующих типов: винты, резьбовые шпильки, саморезы.
Значительно повышая давление в зоне прилегания, гравер предотвращает самопроизвольное откручивание.

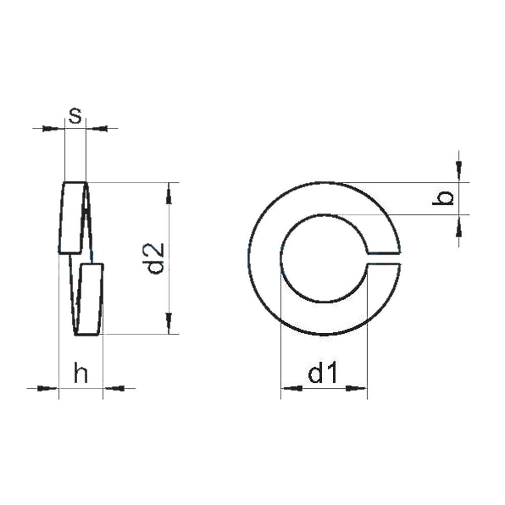
ТАБЛИЦА РАЗМЕРОВ

номинал. размер 3 4 5 6 8 10 12 14 16 18 20 24
для резьбы М3 М4 М5 М6 М8 М10 М12 М14 М16 М18 М20 М24
d1 3,1 4,1 5,1 6,1 8,1 10,2 12,2 14,2 16,2 18,2 20,2 24,5
d2 6,2 7,6 9,2 11,8 14,8 18,1 21,1 24,1 27,4 29,4 33,6 40
h 1,6 1,8 2,4 3,2 4 4,4 5 6 7 7 8 10
s 0,8 0,9 1,2 1,6 2 2,2 2,5 3 3,5 3,5 4 5
b 1,3 1,5 1,8 2,5 3 3,5 4 4,5 5 5 6 7

Диаметр (d) Длина (l) Материал В упаковке Цена
24 А2 1 60 руб. Купить
3 А2 20 50 руб. Купить
4 А2 20 50 руб. Купить
5 А2 20 98 руб. Купить
6 А2 20 136 руб. Купить
8 А2 10 136 руб. Купить
10 А2 6 98 руб. Купить
12 А2 4 50 руб. Купить
14 А2 4 98 руб. Купить
16 А2 4 98 руб. Купить
18 А2 4 136 руб. Купить